Onze Diensten
Professionele elektrische schema’s voor veilige en betrouwbare installaties in uw huishouden.
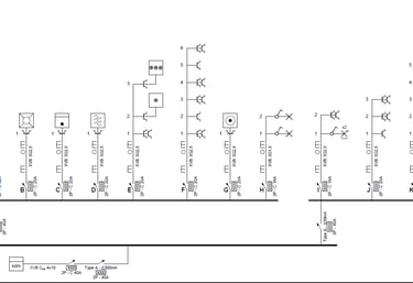
Schema Ontwerp
Wij creëren duidelijke elektrische schema’s die voldoen aan de hoogste veiligheidsnormen.


Adviesdiensten
Persoonlijk advies voor het optimaliseren van uw elektrische installaties en het waarborgen van veiligheid.
Met onze expertise zorgen wij voor kwaliteit en gemoedsrust in uw elektrische systemen.
Kwaliteitsgarantie


Eschematiq
“Helder in beeld, veilig in gebruik.”
Contact
info@eschematiq.com
+32 483594465
© 2025. All rights reserved.


