
Elektrische Schema’s op maat
Duidelijke en veilige oplossingen voor uw elektrische installatie.
Over ons
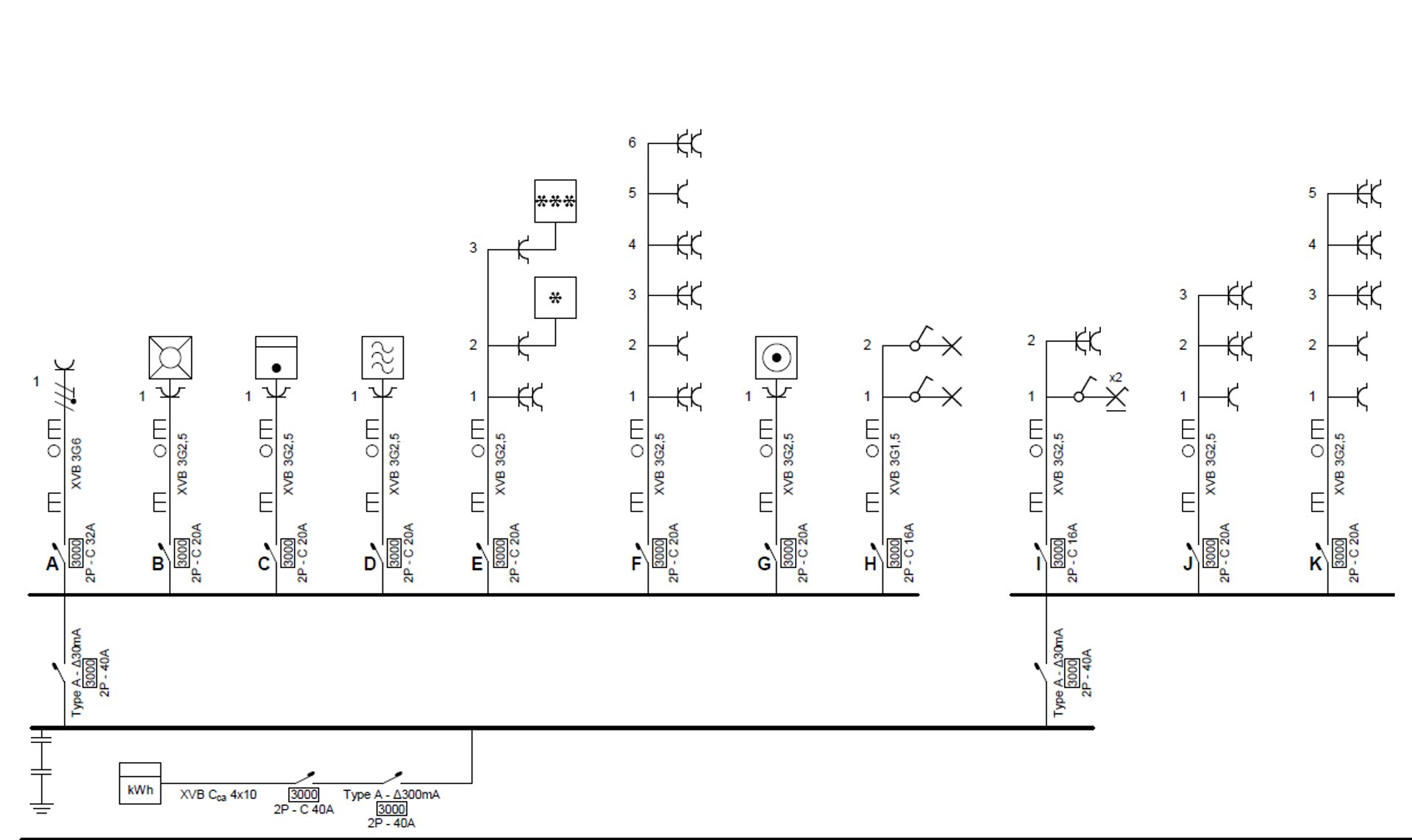
Eschematiq is gespecialiseerd in het opmaken van elektrische schema’s en het adviseren bij de conformiteit van elektrische installaties. Met meer dan 5 jaar ervaring zorgen wij ervoor dat uw installatie voldoet aan de voorschriften van het AREI. Onze expertise garandeert correcte documentatie en advies op maat, zodat uw installatie veilig, betrouwbaar en conform wordt gekeurd.


Blijf op de hoogte
Ontvang tips voor veilige elektrische installaties.
Eschematiq
“Helder in beeld, veilig in gebruik.”
Contact
info@eschematiq.com
+32 483594465
© 2025. All rights reserved.


